Где достать компьютерный блок питания
Любой компьютерный магазин, имеющий собственный сервисный центр (а таких сегодня большинство), не имеет недостатка в сгоревших, а то и целых блоках питания. Вам нужно просто договориться с администрацией, чтобы за символическую плату стать обладателем такой комплектующей.
Проблема в том, что не все модели пригодны для создания полноценного зарядного устройства с регулируемыми током/напряжением. Нужно искать блок питания с ШИМ-контроллером TL 494 или аналогичные (M5T494, KA7500). А вот БП с микросхемами типа АТ2003 или SG6105 позволят получить простенькое зарядное устройство без возможности регулировки напряжения.
Мы не будет ограничиваться простым ЗУ, поэтому рассмотрим переделку БП с использованием ШИМ TL 494, который, кстати, считается самым распространённым.
Второй вариант доработки БП
Также добавлю другую проверенную схему.
Недостатком этого решения является использование двух дополнительных диодов и удвоение потерь выпрямителя. После замены резистора вывода 1 TL494 с 24 кОм на 36 кОм, можете снимать примерно до 40 В на выходе.
Ещё приведу фотографии импульсного трансформатора и что с ним делать:
Согласно модификации это должно быть так:
Ш-образные ферриты тут EI33, конечно и с EI28 будет работать, но более 5 A из них не вытянуть.
Что касается родной защиты источников питания AT / ATX, к сожалению большинство из них не имеют защиты от перегрузки по току, единственными средствами защиты являются перенапряжение и пониженное напряжение, а также превышение максимальной мощности, а как мы знаем мощность является произведением тока и напряжения, поэтому если источник питания имеет ограничение 300 Вт и максимум в линии 12 В 10 А, в таком БП до срабатывания защиты, ограничивающей максимальную мощность, произойдёт попытка выдать 25 А, а это приведет к насыщению дросселя и взрыву транзисторов.
Здесь же источник питания переключается в режим регулирования тока при коротком замыкании выхода, и не имеет значения, происходит ли короткое замыкание при низком или максимальном напряжении. Сделан тест — ток транзисторов ограничен коэффициентом трансформации 4 и сглажен на дросселе. Ток мгновенного срабатывания первичной обмотки не должен превышать 2 А, токовый вывод зависит от резистора, поэтому для 100 Ом это будет 1,6 А, для 47 Ом 3,4 А, в любом случае максимальный мгновенный ток силовых транзисторов не должен превышать 6 А.
Подготовительные работы
Если мы прикупили нерабочий блок питания, нам потребуется для начала найти поломку и устранить её.
Для этого включаем БП в сеть и проверяем напряжение на 9 контакте (фиолетовый провод, идущий к большому разъёму). Если есть 5 В – приступаем к следующему шагу, иначе ищем поломку в цепи источника дежурного питания.
При наличии 5 вольт проверяем напряжение на выводе 12, оно должно быть в пределах 7–41 В.
Самая распространённая неисправность дежурки – высохшие конденсаторы, но следует проверить на наличие КЗ и диоды, и транзисторы, а также обмотки трансформатора.
Если дежурный БП исправен, но ШИМ всё равно не запускается, проверяем работоспособность источника опорного напряжения.
Нередко бывает достаточно заземлить вывод 4 микросхемы, после чего ШИМ благополучно стартует. Это означает, что проблему следует искать в цепи защиты блока от перегрузок, или же в контуре формирования служебных сигналов. Но поскольку защита от перегрузок нам не потребуется, проверять её мы не будем. Аналогичным образом поступаем и со схемой формирования служебных сигналов.

Можно увеличить
Самоделки превратили обезьяну в человека

Из обычного компьютерного блока питания можно сделать вполне приличный лабораторный БП с диапазоном регулируемого напряжения от 2,5 до 24 вольт.
Видео: Первая проверка регулируемого БП из АТ (АТХ) БП ПК.
Главная деталь проекта, это рабочий БП от компьютера, старого АТ образца или нового АТХ, без разницы.

Зато мощность БП имеет непосредственное значение, если Вам будет нужна на выходе приличная мощность, то и блок питания нужно выбрать с соответствующим амперажем на выходе. Смотрим внимательно параметры на крышке БП.

Переделка заключается во внесении изменений в стандартную работу микросхемы TL494CN (или её полных аналогов DBL494, КА7500, IR3М02, А494, МВ3759, М1114ЕУ, МPC494C и т.д.).
Поэтому после вскрытия корпуса, сразу ищем одну из выше указанных микросхем и читаем дальше.
Вот описание выходов микросхемы TL494CN и её аналогов.

Теперь немного схем исполнения БП, вдруг одна из них копия вашего БП и тогда Вам повезло, разбираться будет значительно легче.
Будем производить изменения в обвязке IC 494 и построим новую схему.
Как видите, нам будут нужны изменения на ножках №1, 2, 3, 4, 15, 16, удаляем старые цепи и делаем новую обвязку, все остальные ноги не трогаем.

На рисунке 3 пример правильно доработанной схемы, осталось только впаять переменные резисторы, вольтметр и амперметр.
В схеме моего АТ БП оказался аналог KA7500, теперь смотрим внимательно обвязку и расположение приходящих к ножкам нашей микросхемы дорожек и деталей, зарисовываем и записываем для удобства.

Когда на бумаге и в голове сложилась полная картина обвязки, можно приступать к удалению ненужных деталек, дорожек и впаивать новые, в соответствии со схемой доработки.
Некоторые резисторы которые уже есть в схему обвязки могут нам подойти без их замены.
Например: нам необходимо поставить резистор на R=2.7кОм с подключением к «общему проводу», но в схеме на этом месте уже стоит R=3кОм, такой разбег не критичен и мы оставляем все как есть без изменений (Рис 3. зеленые резисторы модно не менять).

Размыкание цепи путем поднятия одной из ножек резистора.

Установка дополнительных перемычек.


Перерезанные ненужные дорожки.

Еще приподнятые ножки.
Когда сделали все изменения в обвязке, подключаем выносные переменные резисторы, вольтметр и амперметр. Очень удобные для этого недорогие цифровые приборы из Китая.
Вот такой красавчик вольтметр и амперметр в одном корпусе.

Но можно обойтись и старыми советскими запасами.

Обратите внимание, если внутри амперметра уже есть шунт, то дополнительный в схему устанавливать не надо. Зато надо заменить выходные конденсаторы на выходе +12 вольт, т.к
рабочее напряжение мы подняли до +24 вольт, поэтому конденсаторы должны стоять с рабочим напряжением не ниже 30 вольт
Зато надо заменить выходные конденсаторы на выходе +12 вольт, т.к. рабочее напряжение мы подняли до +24 вольт, поэтому конденсаторы должны стоять с рабочим напряжением не ниже 30 вольт.
Выводим на переднюю панель корпуса переменные резисторы для регулировки напряжения и тока.
Регулируемый блок питания 2,5-24в из БП компьютера
Как самому изготовить полноценный блок питания с диапазоном регулируемого напряжения 2,5-24 вольта, да очень просто, повторить может каждый не имея за плечами радиолюбительского опыта.
Делать будем из старого компьютерного блока питания, ТХ или АТХ без разницы, благо, за годы PC Эры у каждого дома уже накопилось достаточно количество старого компьютерного железа и БП наверняка тоже там есть, поэтому себестоимость самоделки будет незначительной, а для некоторых мастеров равно нулю рублей.
Мне достался для переделки вот какой АТ блок.
Чем мощнее будете использовать БП тем лучше результат, мой донор всего 250W с 10 амперами на шине +12v, а на деле при нагрузке всего 4 А он уже не справляется, происходит полная просадка выходного напряжения.
Смотрите что написано на корпусе.
Поэтому смотрите сами, какой ток вы планируете получать с вашего регулируемого БП, такой потенциал донора и закладывайте сразу.
Вариантов доработки стандартного компьютерного БП множество, но все они основаны на изменении в обвязке микросхемы IC — TL494CN (её аналоги DBL494, КА7500, IR3М02, А494, МВ3759, М1114ЕУ, МPC494C и т.д.).
Рис №0 Распиновка микросхемы TL494CN и аналогов.
Посмотрим несколько вариантов исполнения схем компьютерных БП, возможно одна из них окажется ваша и разбираться с обвязкой станет намного проще.
Приступим к работе.Для начала необходимо разобрать корпус БП, выкручиваем четыре болта, снимаем крышку и смотрим внутрь.
Ищем на плате микросхему из списка выше, если таковой не окажется, тогда можно поискать вариант доработки в интернете под вашу IС.
В моем случае на плате была обнаружена микросхема KA7500, значит можно приступать к изучению обвязки и расположению ненужных нам деталей, которые необходимо удалить.
На фото разъём питания 220v.
Отсоединим питание и вентилятор, выпаиваем или выкусываем выходные провода, чтобы не мешали нам разбираться в схеме, оставим только необходимые, один желтый (+12v), черный (общий) и зеленый* (пуск ON) если есть такой.
На фото — черные конденсаторы как вариант замены для синего.
Делается это потому, что наш доработанный блок будет выдавать не +12 вольт, а до +24 вольт, и без замены конденсаторы просто взорвутся при первом испытании на 24v, через несколько минут работы. При подборе нового электролита емкость уменьшать не желательно, увеличивать всегда рекомендуется.
Самая ответственная часть работы.Будем удалять все лишнее в обвязке IC494, и припаивать другие номиналы деталей, чтобы в результате получилась вот такая обвязка (Рис. №1).
Рис. №1 Изменение в обвязке микросхемы IC 494 (схема доработки).
Нам будут нужны только эти ножки микросхемы №1, 2, 3, 4, 15 и 16, на остальные внимание не обращать
Рис. №2 Вариант доработки на примере схемы №1
На фото — приподнятием ножек ненужных деталей, разрываем цепи.
Некоторые резисторы, которые уже впаяны в схему обвязки могут подойти без их замены, например, нам необходимо поставить резистор на R=2.7k с подключением к «общему», но там уже стоит R=3k подключенный к «общему», это нас вполне устраивает и мы его оставляем там без изменений (пример на Рис. №2, зеленые резисторы не меняются).
На фото— перерезанные дорожки и добавленные новые перемычки, старые номиналы записываем маркером, может понадобится восстановить все обратно.
Таким образом просматриваем и переделываем все цепи на шести ножках микросхемы.
Это был самой сложный пункт в переделке.
Делаем регуляторы напряжения и тока.
Берем переменные резисторы на 22к (регулятор напряжения) и 330Ом (регулятор тока), припаиваем к ним по два 15см провода, другие концы впаиваем на плату согласно схеме (Рис. №1). Устанавливаем на лицевую панель.
Контроль напряжения и тока.Для контроля нам понадобятся вольтметр (0-30v) и амперметр (0-6А).
Амперметр я использовал свой, из старых запасов СССР.
ВАЖНО — внутри прибора есть резистор Тока (датчик Тока), необходимый нам по схеме (Рис. №1), поэтому, если будете использовать амперметр, то резистор Тока ставить дополнительно не надо, без амперметра ставить надо
Обычно RТока делается самодельный, на 2-х ватное сопротивление МЛТ наматывается провод D=0,5-0,6 мм, виток к витку на всю длину, концы припаяем к выводам сопротивления, вот и все.
Корпус прибора каждый сделает под себя.Можно оставить полностью металлический, прорезав отверстия под регуляторы и приборы контроля. Я использовал обрезки ламината, их легче сверлить и выпиливать.
Переделка БП ATX в регулируемый или лабораторный блок питания
А теперь самое время сделать из БП компьютера своими руками импульсный лабораторный блок питания. Дорабатывать будем блок питания, ШИМ контроллер которого собран на специализированной микросхеме TL494 (она же: μА494, μPC494, M5T494P, KIA494, UTC51494, AZ494AP, KA7500, IR3M02, AZ7500BP, КР1114ЕУ4, МВ3759 и подобные аналоги).
Для примера мы доработаем блок питания, схема которого приведена ниже. Поняв идею вносимых изменений, подобрать алгоритм переделки любого другого блока не составит особого труда.

Разбираем БП, вынимаем плату. Сразу же отпаиваем все ненужные провода шлейфов питания, оставив один желтый, один черный и зеленый.

Также выпаиваем сглаживающие электролитические конденсаторы по всем линиям питания. На схеме они обозначены как С30, С27, С29, С28, С35. Мы собираемся существенно (до 25 В по шине +12 В) поднять выходное напряжение, на которое эти конденсаторы не рассчитаны. На место того, что стоял по шине +12 В, устанавливаем конденсатор той же или большей емкости на напряжение не менее 35 В. Остальные места оставляем пустыми. Зеленый провод припаиваем на место, где был любой черный, чтобы разрешить блоку питания запускаться. Теперь можно заняться доработкой контроллера.
Взглянем на назначение выводов микросхемы TL494. Нас интересуют два узла – усилитель ошибки 1 и усилитель ошибки 2. На первом собран стабилизатор напряжения, на втором – контроллер тока. То есть нас интересует обвязка выводов 1, 2, 3, 4, 13, 14, 15, 16.

Изменим схему обвязки таким образом, чтобы усилитель ошибки 1 отвечал за регулировку выходного напряжения, а усилитель 2 – за регулировку тока. В первую очередь перережем дорожки, обозначенные на приведенной ниже схеме крестиками.

Теперь находим резисторы R17 и R18. Первый имеет сопротивление 2.15 кОм, второй 27 кОм. Меняем их на номиналы 1.2 кОм и 47 кОм соответственно. Добавляем в схему два переменных резистора, один постоянный на 10 кОм (отмечены зеленым), клеммы для подключения внешнего потребителя, амперметр и вольтметр. В результате у нас получится вот такая схема.

Как видно из схемы, резистор на 22 кОм позволяет плавно регулировать напряжение в пределах 3-24 В, резистор 330 Ом – ток от 0 до 8 А. Кл1 и КЛ2 служат для подключения нагрузки. Вольтметр имеет предел измерения 25-30 В, амперметр – 10 А. Приборы могут быть как стрелочными, так и с цифровыми шкалами, главное, малогабаритными – ведь они должны войти в корпус блока питания. Можно начинать проверку и градуировку.


Все в порядке? Включаем БП напрямую в сеть, выводим движки резисторов в нижнее по схеме положение. К клеммам КЛ1, Кл2 подключаем нагрузку – 2 лампы дальнего света, включенные последовательно. Вращаем резистор регулировки напряжения и убеждаемся по встроенному вольтметру, что напряжение плавно изменяется от 3 до 24 вольт. Для верности подключаем к клеммам контрольный вольтметр, к примеру, тестер. Градуируем ручку регулятора напряжения, ориентируясь по показаниям приборов.
Возвращаем движок в нижнее по схеме положение, выключаем блок питания, а лампы соединяем параллельно. Включаем блок питания, устанавливаем регулятор тока в среднее положение, а регулятор напряжения – на отметку 12 В. Вращаем ручку регулятора тока. При этом показания амперметра должны плавно изменяться от 0 до 8 А, а лампы – плавно менять яркость. Градуируем регулятор тока, ориентируясь по показаниям амперметра.
Отключаем устройство и собираем его. Наш лабораторный блок питания готов. С его помощью мы можем получить любое напряжение от 3 до 24 вольт и устанавливать ограничение тока через нагрузку в пределах 0-10 А.
Схема переделки БП ATX в регулируемый
Представленная схема является модификацией примерной схемы блока питания ATX, поэтому она может немного отличаться, когда речь идет о части, содержащей резервный преобразователь, используемые ключи или значения некоторых элементов, поэтому обозначил элементы на схеме, поместив «xx» рядом с теми, которые должны быть изменены или добавлены.

Блок питания оснащен двумя линейными потенциометрами по 10 кОм, один для регулирования напряжения, другой для ограничения тока. Ток измеряется между центральным отводом трансформатора и землей с помощью измерительного резистора 5 мОм / 2 Вт. Напряжение на измерительном резисторе отрицательно по отношению к массе, поэтому оно поступает на TL494, операционный усилитель LM358 используется только для усиления сигнала от потенциометра регулировки тока. Добавленный 36 кОм резистор на ножке 6 используется только для поднятия частоты инвертора с 30 кГц до примерно 45 кГц — без него блок питания также будет работать.

В первый раз оставил главный трансформатор без изменений, включил источник питания и когда все заработало, перенастроил соединения вторичной обмотки. Эта операция не является необходимой, но тогда максимальное выходное напряжение можно безопасно поднять примерно до 24 В. У трансформатора было 4 вторичных обмотки на каждой стороне 3 витка, соединенных параллельно, и одна 4 витка обмотка, добавленная последовательно. Обмотки были разделены и соединены как на схеме.
Дроссель использовался как есть, вначале удалил из него все ненужные обмотки и оставил только то, что было по линии 12 В. Сердечником дросселя является T106-26, при 30 витках он должен иметь около 83 мкГн и ток насыщения 8,6.
Резервный преобразователь должен оставаться неизменным и содержать все элементы, необходимые для его правильной работы, поэтому его не следует изменять, тут схема составлена в упрощенном виде, лишь обозначено место, откуда должно быть взято питание контроллера и вентилятора. Блок питания был оснащен обычным цифровым модулем вольтметра. Блок работает стабильно, вполне устойчив к коротким замыканиям на выходных клеммах.
Выполнив выпрямитель из блока питания ATX и убрав режим Standby, преобразовал его в AT, и он также заработал без проблем. Регулирование тока также, даже с закороченными выходными проводами, увеличивает напряжение питания контроллера до примерно 26-29 В.
Источник питания AT от ATX, за исключением резервного преобразователя, отличается только способом подачи питания на контроллер (источник питания берется из выходного выпрямителя перед дросселем) и дополнительными резисторами 330k возбуждения между коллектором и базой главных транзисторов.
Каждый блок питания ATX может быть безопасно адаптирован к напряжению 24 В, не трогая на главный трансформатор. Единственное что нужно сделать, это удалить ненужные линии (в частности, 3,3 В) и подпаять конденсаторы на соответственно более высокое напряжение. Также полезно увеличить частоту инвертора примерно до 40-50 кГц, тогда уменьшается риск насыщения сердечника.
Переделка БП АТХ в зарядное на SG6105
Для переделки мы взяли БП Sven 330U-FNK (он же близнец COLORSit 330U-FNK), подопытный блок имеет ШИМ SG6105DZ. Первым делом подготавливаем блок к переделке:
- избавляемся от всех лишних проводов, оставляем только черный (минус) и желтый (шина +12 В) провода;
- зеленый провод (PS ON) обрезаем и подключаем на минус блока (для автоматического старта);
- питание вентилятора лучше переключить на шину (- 12 В), это устранит проблему запуска вентилятора от заряжаемой АКБ (черный провод вентилятора на шину -12 В, а красный провод вентилятора на минус БП).
После первых манипуляций производится пробный старт блока.
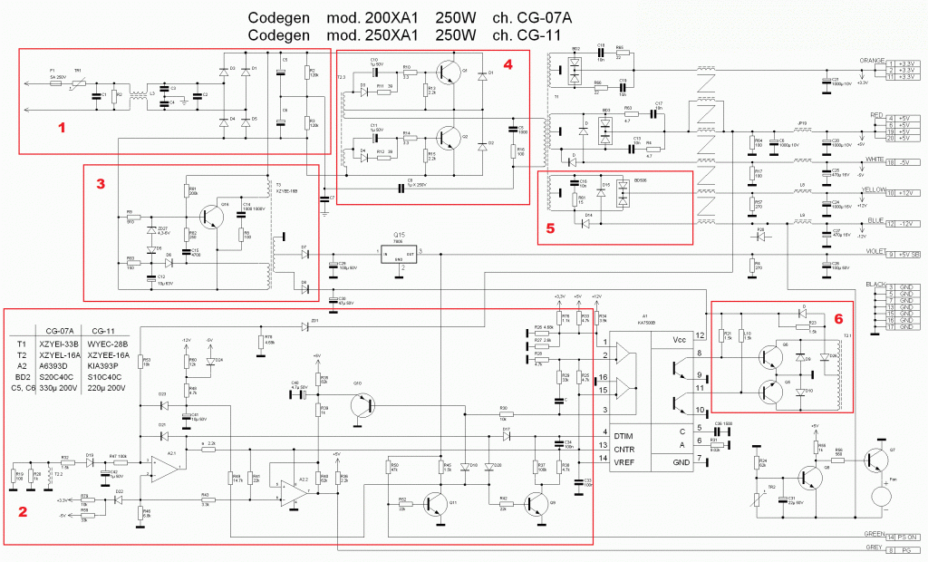
Ниже прикреплена схема Sven 330U-FNK, нумерация деталей и их номинал точно соответствуют элементам в блоке.
Далее мы выкладываем схему, где переделка БП АТХ в зарядное на SG6105 изображена со всеми окончательными изменениями, которые будут производиться со схемой далее.
Немного теории. Для установки выходного напряжения используется делитель, состоящий из резисторов R28; R25; R23.
Поскольку стабилизация шины +5 В нам не нужна, то резистор R25 необходимо удалить. А R28 заменить на многооборотный подстроечный, которым мы сможем корректировать напряжение.
Но, если мы сейчас установим подстроечный резистор с неверными предварительными настройками, то блок выдаст, либо слишком завышенное или слишком заниженное напряжение на выходе, сработает защита и БП отключится. Для этого измеряем напряжение на 17 ноге SG6105 (в нашем блоке оно составляет 2,4 В) и рассчитываем текущее сопротивление резистора R28, для получения 2,4 В на делителе. В общем, как изображено на схеме:
Новое значение R28 составило 48 кОм.
Удаляем из платы R28 и R25.
R28 заменяем на многооборотный резистор, предварительно настроенный на 48 кОм.
Производим пробный запуск. Напряжение на шине +12 В не должно особо отличаться от 12 В.
С помощью подстроечного резистора мы уже можем корректировать выходное напряжение. При попытке поднять его больше 13,9 В срабатывает защита SG6105 от превышения напряжения и БП отключается.
Из даташита SG6105 видно, что это уже порог не только по шине +12 В, если замерить напряжение на шинах +5 В и +3,3 В, то станет ясно, что на них напряжение тоже находятся на грани срабатывании защиты.
13,9 В маловато для зарядки АКБ, хотелось бы поднять до 14,2 В. Для этого нужно немного обмануть защиту от превышения напряжения. Можно пойти путем таким, который использовался при переделке БП на ШИМ 2003. А можно поступить иначе.
В цепь мониторинга напряжений можно подключить диод, на котором будет падать 0,7 В. Т.Е. мультивизор будет видеть напряжение на 0,7 В меньше, чем есть на шине на самом деле. Устанавливаем диоды перед выводами №7 (мониторинг шины +12 В) и №2 (мониторинг шины 3,3 В).
Вывод 3 отключаем от шины +5 В и подключаем к стабилизированному напряжению 5 В, которое есть на 20 выводе.
Опять теория. №3 отвечает за мониторинг напряжения по шине +5 В. Почему не стоит подключать диод перед выводом №3? При неравномерной нагрузки на шины (основная нагрузка ляжет на шину +12 В) напряжение на шине + 5 В сдвигается очень сильно и SG6105 уводит БП в защиту. Сдвиг по шине 3,3 В тоже будет, но незначительный для срабатывания защиты.
При установке диодов необходимо очень внимательно рассмотреть трассировку дорожек, часть их придется перерезать, некоторые места заменить перемычками.
После установки диодов, напряжение на БП можно поднять еще немного выше, например до 14,2 В.
На этом переделка БП АТХ в зарядное на SG6105 в зарядное окончена, можно собирать в корпус и использовать для зарядки АКБ.
Также необходимо помнить, что такое зарядное очень боится переполюсовки. Для защиты от неправильного подключения АКБ можно использовать простую схему на реле или полевике.
comments powered by HyperComments
TL494 схемы для зарядного устройства на основе компьютерного блока питания
Ниже представлены для повторения четыре принципиальные схемы с использованием ИС TL494 схемы.
Здесь показана схема устройства, созданного на основе устаревшего компьютерного АТ блока питания на IC TL494 с выходной мощностью 200 Вт гарантирующий ток, примерно 11 — 13А.
Здесь схема, в основе которой использован более современный АТX блок питания, также выполненный на TL494
Модернизация
Наиболее важным и нужным моментом в усовершенствовании схемы является следующий шаг. Убираем все ненужные провода, которые выходят из корпуса блока питания на коннекторы материнской платы. Однако, убирать надо не все, оставить нужно четыре провода желтого цвета под напряжение +12v и четыре черных идущих на корпус и каждую «четверку» переплетаем в виде косички.
Далее, ищем на печатной плате чип с кодовым обозначением 494, впереди этого номера возможны дополнительные буквенные обозначения
Также следует обратить внимание, что в БП могут быть установлены аналоги микросхемы TL494, такие как например: KA7500, MB3759, но схема включения у них аналогичная оригиналу. Теперь нужно найти постоянный резистор установленный в цепи первого вывода микросхемы и идущий на контакт +5v (это там, где раннее находились провода красного цвета) и убираем его тоже.
Для блока питания с возможностью регулировки напряжения в диапазоне от 4v до 25v, постоянный резистор R1 должен иметь номинальное сопротивление 1кОм. Помимо этого, в выходной цепи постоянного напряжения +12v, необходимо поставить электролитический конденсатор с большей емкостью, чем которая указана в оригинале.
В случае изготовления зарядного устройства, то этот конденсатор лучше вообще не ставить. Далее, желтыми проводами, которые сплетены в «косичку» (+12v), на кольце диаметром 25мм из феррита 2000НМ делаем несколько витков.
То есть, рассчитана на рабочее напряжение 40v и ток 10A, но если найдете готовую сборку BYV42E-200, которая выдерживает прямой ток 30A и напряжение 200v, то лучше будет если вы поставите ее. Как вариант, можно использовать пару выпрямительных диодов КД2999, включенных встречно друг другу. В таблице представленной ниже, можно подобрать оптимальные параметры необходимых вам диодов.
Если блок питания АТХ, то для его запуска нужно соединить провод soft-on с идущим на корпус проводником (на коннектор подается провод зеленого цвета). Вентилятор необходимо повернуть на 180°, что бы поток воздуха направлялся во внутреннюю часть БП. В случае использования устройства по прямому назначению, то тогда лучше будет подать питание на вентилятор от 12 вывода микросхемы через сопротивление с номиналом 100 Ом.
Так же, нужно иметь ввиду, что во время включения блока питания, происходит мощный бросок тока, при этом может включится система защиты. Однако, у меня устройство защиты свободно воспринимает ток в 9 ампер при включении аппарата и не срабатывает. В случае, у кого-то появится такая проблема, то тогда необходимо будет создать двухсекундную задержку включения нагрузки во время старта.
Вот ниже представлен еще один хороший вариант усовершенствования блока питания от компьютера.
Эта принципиальная схема в состоянии изменять выходное напряжение в пределах от 0,9v до 32v и силу тока от 0,09v до 10A.
Конструкция
Мощность того блока питания, который я вытащил из-под кровати – 250Вт. Если я сделаю БП 5В/10А, то пропадает драгоценная моща! Не дело! Подымем напряжение до 25В, может сгодится, к примеру, для зарядки аккумуляторов – там нужно напряжение порядка 15В.
Для дальнейших действий нужно сначала найти схему на исходный блок. В принципе, все схемы БП известны и гуглятся. Что именно нужно гуглить – написано на плате.

Мне мою схему подкинул друг. Вот она. (Откроется в новом окне)

Да-да, нам придется лазить во всех этих кишках. В этом нам поможет даташит на TL494
Итак, первое, что нам нужно сделать – проверить, какое максимальное напряжение может выдать блок питания по шинам +12 и +5 вольт. Для этого удаляем предусмотрительно помещенную производителем перемычку обратной связи.

Резисторы R49-R51 подтянут плюсовой вход компаратора к земле. И, вуаля, у нас на выходе – максимальное напряжение.
Пытаемся стартовать блок питания. Ага, без компьютера не стартует. Дело в том, что его нужно включить, соединив вывод PS_ON с землей. PS_ON обычно подписан на плате, и он нам еще понадобится, поэтому не будем его вырезать. А вот непонятную схему на Q10, Q9 и Q8 отключим – она использует выходные напряжение и, после их вырезания не даст нашему БП запуститься. Мягкий старт у нас будет работать на резисторах R59, R60 и конденсаторе C28.

Итак, бп запустился. Появились выходные максимальные напряжения.
Внимание! Выходные напряжения – больше тех, на которые рассчитаны выходные конденсаторы, и, поэтому, конденсаторы могут взорваться. Я хотел поменять конденсаторы, поэтому мне их было не жалко, а вот глаза не поменяешь
Аккуратно!
Итак, подучилось по +12В – 24В, а по +5В – 9.6В. Похоже, запас по напряжению ровно в 2 раза. Ну и прекрасно! Ограничим выходное напряжение нашего БП на уровне 20В, а выходной ток – на уровне 10А. Таким образом, получаем максимум 200Вт мощи.
С параметрами, вроде бы, определились.
Теперь нужно сделать управляющую электронику. Жестяной корпус БП меня не удовлетворил(и, как оказалось, зря) – он так и норовит поцарапать что-то, да еще и соединен с землей (это помешает мерить ток дешевыми операционниками).
В качестве корпуса, я выбрал Z-2W, конторы Maszczyk

Я измерил излучаемый блоком питания шум – он оказался вполне небольшим, так что, вполне можно использовать пластиковый корпус.
После корпуса я сел за Corel Draw и прикинул, как должна выглядеть передняя панель:

Переделка блока ATX будет состоять из нескольких этапов

1. Для начала выпаиваем провода, оставляем только серый, чёрный, жёлтый. Кстати, чтобы включить данный блок нужно замкнуть на массу не зелёный (как в большинстве блоков ATX), а серый провод.
2. Выпаиваем из схемы детали, которые стоят в цепях +3.3в, -5в, -12в (+5 вольт пока не трогаем). То что убрать показано красным, а что переделывать — показано синим на схеме:

После выпаивания получается так:

3. Далее выпаиваем (убираеи) цепь +5 вольт, диодную сборку в цепи 12в заменить на S30D40C (взятую из цепи 5в).

Ставим подстроечный резистор и переменный резистор со встроенным выключателем так, как показано на схеме:


Теперь включаем в сеть 220в и замыкаем серый провод на массу, предварительно поставив подстроечный резистор в среднее положение, а переменный в положение при котором на нём будет наименьшее сопротивление. На выходе напряжение должно быть около 8 вольт, увеличивая сопротивление переменного резистора напряжение будет увеличиваться. Но не спешите поднимать напряжение, так как у нас пока нет защиты по напряжению.
4. Делаем защиту по мощности и по напряжению. Добавляем два подстроечных резистора:

5. Индикаторная панель. Добавляем пару транзисторов, несколько резисторов и три светодиода:

Зелёный светодиод загорается при включении в сеть, жёлтый — при наличии напряжения на выходных клемах, красный — при срабатывании защиты.


Можно также встроить вольтамперметр.


Как переделать блок питания компьютера в зарядное устройство
Строго говоря, ремонт БП не является главным предметом рассмотрения нашей статьи, в конце концов, можно приобрести и рабочий вариант. Наша основная задача – получить на выходе 12 В. За это отвечает выходная схема, на которой имеются фильтры питания вкупе с выпрямителями:

Не нужно бояться выпаивать лишние элементы – чтобы запустить схему TL494, необходимы только 1 конденсатор и 4 резистора (плюс парочка переменных сопротивлений). Они на схеме имеются, если выпаяете что-то лишнее, всегда можно вернуть их на место.
Микросхема LM339 представляет собой четырёхкомпонентный компаратор, отвечающий за работу цепи защиты – его тоже можно выпаивать.
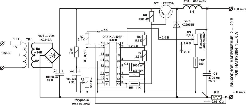
При переделке БП компьютера в зарядное устройство, совмещённое с лабораторным источником питания, можно воспользоваться схемой:

Фактически для переделки блока питания компьютера в ЗУ нам потребуются шунт с номиналом 0.1–0.01 Ом и пара переменных резистора. Разумеется, если вы не в ладах с электроникой, за такую работу лучше не браться.
Уже этого достаточно, чтобы получить диапазон напряжений на выходе в пределах 3–25 В с возможностью ограничить ток заряда величиной 0.5–15 А. То есть для стандартной зарядки нам потребуется выставить напряжение в пределах 14.3–14.6 В, а ток ограничить величиной, составляющей 10% от ёмкости батареи. По существу, мы собрали стабилизатор напряжения, поэтому по мере заряда батареи будет падать ток, что защитит автомобильный аккумулятор от перезаряда и кипения электролита. То есть вам не нужно будет контролировать процесс, а АКБ может стоять на зарядке сколь угодно долго – по мере заряда ток будет падать вплоть до нулевого значения.
Добавление в цепь 15-амперного предохранителя позволит уменьшить риски, но на практике такая защита чаше всего не срабатывает.


















































