Переделываем задние фонари на ВАЗ 2108/2109
В этом рассказе автор решил поделиться тем, как можно переделать стандартные задние фонари на ВАЗ 2108 и соответственно на «Девятке». После такой переделки фонари начинают работать принципиально по новому. Стандартные ламы освещения здесь заменены светодиодной лентой, которая работает куда надежнее ламп, да и долговечнее. Такой тюнинг делается довольно просто и быстро, с этим справиться любой, кто однажды держал в руках паяльник.

Материалы и инструменты для изготовления: – черная матовая краска; – эпоксидная смола; – накладки на фонари (черные); – светодиодная лента; – дрель со сверлами; – диоды; – черный силиконовый герметик; – паяльник с припоем, провода, ножницы и другие мелочи.
Процесс тюнинга фонарей: Шаг первый. Установка светодиодов и покраска фонарей
Сперва на внешнюю часть фонаря нужно приклеить светодиодную ленту. Для этого изначально нужно разметить фонарь и определить с тем, как диоды будут на нем располагаться. Далее светодиодная лента обязательно фиксируется с помощью эпоксидной смолы. В противном случае лента будет отставать, так как диоды довольно сильно нагреваются при работе.
После этого из бумаги нужно вырезать квадратики и наклеить их на каждый светодиод, это нужно для защиты, чтобы диод не был окрашен. Ну а после этого фонарь красится в черный матовый цвет прямо поверх светодиодов. После того как краска высохнет, бумажки можно будет снять и диоды будут открыты.
Шаг второй. Установка накладок на фонари
Чтобы скрыть светодиоды, поверх фонаря устанавливаются накладки, которые автор предварительно покупает в магазине. Пара таких фонарей обошлась в 400 рублей, были выбраны фонари черного цвета. Благодаря этому родные фонари практически не видно даже днем, благодаря тому, что она окрашены в черный цвет. Крепятся накладки с помощью черного силиконового герметика, это обеспечивает хорошую герметичность и фиксацию.
Шаг третий. Подключение диодов
Чтобы подключить светодиодные ленты, в родном фонаре нужно сделать отверстия под провода. Далее провода просто припаиваются к тем контактам, к которым подключаются стандартные лампочки. Стоп-сигнал и габарит нужно подключать через диоды, для этого подойдут диоды с выпрямительных мостов, так как они достаточно мощные для этих целей. Обычные диоды могут сгореть. При нажатии на тормоз загораются не только стоп-сигналы, но и задние габариты.Ну и соответственно нужно не забыть подключить правый и левый поворот.
Вот и все, на этом тюнинг можно считать оконченным. Что же вышло, можно посмотреть на видео.
Какие выбрать?
Единственная проблема, с которой сталкиваются автомобилисты, – это то, какие лампы лучше поставить в фары. Даже учитывая высокую стоимость изделия, водители зачастую отдают предпочтение ксенону. Это обусловлено тем, что такой свет обеспечивает прекрасную обзорность дороги даже в условиях непогоды. При этом его воздействие на человеческий глаз не имеет противопоказаний. Лампочки ксенон излучают световой поток, подобный естественному дневному свету, что дает возможность управлять автомобилем длительное время в темное время, при этом не чувствовать усталости и особой нагрузки на глаза. С учетом этого фактора управление транспортом является более комфортным и безопасным.
В условиях дождя или густого тумана видимость дороги и иных участников дорожного движения особенно затруднена. Если фары автомобиля оснащены галогеновыми лампами, то луч не может в полной мере просвещать пелену тумана и дождевой стены. Это приводит к аварийным ситуациям. Поток света от ксенона в три раза превосходит по качеству свет галогеновых ламп и позволяет иметь перед собой большую площадь обзора.
Стоит отметить, что производители ксеноновых изделий гарантируют долгий срок эксплуатации устройства — почти три тысячи часов, в то время как срок работы галогеновой фары составляет лишь пятьсот часов. При этом потребляемая мощность первого составляет всего 35 Вт, а второго – 60 Вт.

Причины выхода из строя
Какие причины того, что фара не горит:
- перегорает предохранитель. Это обусловлено тряской во время езды или скачками напряжения. Для починки системы освещения вам достаточно будет заменить лишь сам предохранитель, который можно найти по схеме, представленной на крышке блока;
- перегорают лампочки;
- приходит в неисправное состояние реле ближнего света;
- окисляются контакты предохранителей;
- происходит деформация гнезд фиксаторов рычага переключателей света фары;
- заедает механизм рычага.
Поломка может сопровождаться отсутствием работы системы освещения или же ее некорректной работой. Даже если у вас сломалась только одно фара (левая или правая), это уже значительно снизит видимость и повысит вероятность ДТП.
Чтобы устранить проблему, вам нужно заменить передние фары машины полностью или их компоненты. Чтобы это сделать, нужно знать, какие именно составляющие системы освещения можно поставить на ВАЗ 2109.
Подготовка к замене и необходимое оборудование
Для замены старого переключателя Вам понадобится крестовая отвертка, сухая чистая ткань или плотные салфетки. Ну и, разумеется, новая деталь. Перед тем, как менять подрулевой переключатель поворотов калина, предстоит аккуратно добраться до него, так как подобные процедуры, обычно, проводятся редко. Не забудьте отключить клемму отрицательного ввода аккумулятора.
Первый этап подготовки – снятие руля. Первым делом переместите его в самое нижнее положение. Крестовой отверткой аккуратно вывинчиваем 7 креплений пластикового кожуха. Снимаем сперва нижнюю, а затем верхнюю его часть.
Второй этап – демонтаж старого переключателя. Он не включает в себя ничего сложного – Вам не потребуется даже инструментов, все крепится на защелках. Для примера будет взят правый рычаг, который отвечает за бортовой компьютер и дворники. Отсоединяем маленький штекер с проводами, нажав на защелки и потянув на себя. Теперь, руководствуясь тем же принципом, вытаскиваем и большой штекер. Тут, возможно, придется приложить усилие.
Видим подрулевой переключатель, который держится на фиксаторах. Зажимаем их и тянем рычаг на себя. Другие рычаги снимаются абсолютно так же. Единственное, что стоит упомянуть так это то, что их могут удерживать меньше или больше штекеров.
Почему не работают поворотники на ваз 2109

Указатели поворота работают только при включённом зажигании. При перемещении под рулевого переключателя верх или вниз, должны загораться соответствующие лампы по правому или левому борту автомобиля, работающие с частотой мигания порядка 60 циклов в минуту. Все остальные режимы работы будут считаться неисправностью.
Самой простой неисправностью, которую легко определить и устранить, будет перегорание одной из ламп указателей поворота. При этом оставшаяся работающей лампа будет мигать с удвоенной частотой, а световой индикатор на панели приборов вместо мигания начнёт гореть постоянно, сигнализируя водителю о появившейся неисправности. При замене, перегоревшей лампы, Вы обязательно должны установить точно такую же по мощности (21вт). Но и здесь есть подводные камни. Если автомобиль ваз 2109 эксплуатируется с прицепом, то индикатор на панели приборов информировать Вас о перегоревшей лампе не будет. Поэтому их, в этом случае, необходимо проверять визуально.
В задних фонарях, питание от пучка проводов к лампам, идет через монтажную ленту. В случае не герметичности задних фонарей, на монтажную ленту попадет влага и пыль, что приводит к коррозии участков цепи. В результате чего, даже исправная лампа указателей поворота, гореть не будет.










Обеспечивать мигающий режим работы ламп указателей поворота будет реле поворотов, расположенное в монтажном блоке. В случае выхода его из строя, мигание ламп прекращается. Чтобы добраться до дома или места ремонта, можно это реле с монтажного блока снять, а вместо него поставить перемычку между клеммами 49 и 49а. Но мигающий режим работы может сделать только сам водитель путём работы под рулевым переключателем.
На под рулевом переключателе поворотов, неисправности чаще бывают не в их электрической части, а в механической. В частности, он должен автоматически возвращаться в положение, выключено, после завершения поворота. Если этого не происходит, значит, его просто придётся заменить, так как эту неисправность устранить невозможно. Она связана с поломкой кронштейнов внутри переключателя.
Редкой, но всё же возможной, неисправностью поворотников на ВАЗ 2109 может быть отказ в работе самого монтажного блока. Самостоятельно устранить её, тем более в дороге, вряд ли удастся.
Вся электрическая схема указателей поворота защищена 8-ми амперным предохранителем, установленным в монтажном блоке. Естественно, если он перегорит то ни правая, ни левая сторона указателей поворота работать не будет.
Также необходимо проверять монтажные разъёмы, иногда именно в них происходит окисление контактов, в результате чего электрическая цепь будет прервана, а указатели поворотов перестанут работать.
Учитывая важность данной световой сигнализационной системы в обеспечении безопасности движения, водителю необходимо брать с собой в запас хотя бы пару ламп необходимой мощности для указателей поворота
Какие лампы стоят
Теперь пару слов о лампах, используемых в заднем фонаре ВАЗ 2109. За габаритные огни отвечает лампочка А12-5 (T5W) мощностью 5 Вт.
Лампочка T5W, отвечающая за габаритный свет ВАЗ 2109
Все стальные лампы – указатель поворотов, противотуманный свет, указатель заднего хода и стоп-сигнал – имеют тип А12-21-3 (P21W). Их мощность – 21 Вт.
Лампа P21W
Инструкция по замене лампочек
Настало время научиться самостоятельно менять лампы, чтобы не тратить лишние деньги и свое время на поездки в автосервис. Открываем крышку багажника, находим заднюю часть фонарей. Отключаем колодку питания.


Снятие колодки питания с заднего фонаря ВАЗ 2109
Нажимаем на боковую защелку, которая крепит световой прибор. Защелка расположена на стороне светового прибора, который ближе к центральной оси авто.


Задняя часть фонаря крепится при помощи боковых защелок
Вынимаем заднюю часть фонаря вместе с платой и лампочками.


Снятие задней части правого фонаря ВАЗ 2109
Кладем модуль лампами вверх.


Снятый модуль с лампами
Находим сгоревшую лампочку, ориентируясь по фото в разделе «Распиновка разъемов и конструкция фонарей», поворачиваем ее против часовой стрелки, снимаем. Новую лампу фиксируем поворотом по часовой стрелке. Устанавливаем модуль на место, подключаем колодку питания.


Крышка, закрывающая заднюю часть фонаря ВАЗ 2109 (слева) и ВАЗ 21099
Не работают указатели поворота (поворотники) на автомобиле ВАЗ 2108, 2109, 21099

Не работать могут как один указатель поворота («поворотник»), так и два, или сразу все и т. д., в разных сочетаниях. Рассмотрим причины этой неисправности на автомобилях ВАЗ 2108, 21081, 21083, 2109, 21091, 21093, 21099.
Не работает один указатель поворота: передний или задний
Перегорела лампочка
При перегорании лампочки в одном или нескольких указателях поворота на автомобилях ВАЗ 2108, 2109, 21099 оставшиеся начинают мигать с удвоенной частотой. Визуально устанавливаем где перегорела лампочка, по очереди включая указатели поворота. Лампочку заменяем исправной.
Окислился патрон лампочки
Несколько раз поворачиваем лампочку в патроне для восстановления контакта.
Окислились или ослабли соединения проводов
Проверяем патроны и колодки передних поворотников (в передних блок-фарах и на крыльях) и соединительные колодки задних фонарей автомобиля.

«Виновники» отказа «поворотника» на крыле автомобиля ВАЗ 2108 (2109, 21099)
Пропала «масса»
Все фонари и лампы автомобилей ВАЗ 2108, 2109, 21099 имеют минусовой провод . Обычно он черно цвета. Провод присоединяется к кузову рядом с каждой фарой и задним фонарем. Следует проверить его контакт с «массой».
Перегорела дорожка в платах задних фонарей
В таком случае необходимо снять и «прозвонить» дорожки плат задних фонарей идущие к лампам «поворотников». Подробнее: «Проверка платы заднего фонаря автомобилей ВАЗ 2108, 2109, 21099».

Указатель поворота в передней блок-фаре автомобилей ВАЗ 2108, 2109, 21099
Не работают два задних повторителя, либо два передних
Четыре первых причины,
перегорели лампочки, окислились их патроны, окислились контакты в соединительных колодках указателей поворота (на блок фарах и «поворотниках» на крыльях), пропала «масса».
Обрыв в проводах, идущих от монтажного блока к задним фонарям
Проверьте цепь на наличие «обрыва». Либо соскочила колодка этого жгута проводов в монтажном блоке, под панелью со стороны водителя — Ш9 (Х9 в блоке 2114), крайняя поперек монтажного блока.
Обрыв в проводах к передним указателям поворота
Соскочила колодка (Ш6 (Х6) – крайняя правая внизу монтажного блока под капотом).
Предыдущие причины,
Перегорел предохранитель
В монтажном блоке старого образца 17.3722 это предохранитель под № 5, в новых блоках 2114 – F16. Причина перегорания предохранителя может быть разная, но скорее всего – короткое замыкание в проводке
Поэтому при обнаружении перегоревшего предохранителя стоит обратить внимание на поиск причины перегорания

Предохранитель электрической цепи указателей поворота №5 и реле-прерыватель «К2» в монтажном блоке 17.3722
Вышло из строя реле-прерыватель указателей поворотов поворота в монтажном блоке
Необходимо заменить реле заведомо исправным. Перед заменой стоит проверить приходит ли вообще электрический ток на входной вывод реле-прерывателя. Выдергиваем реле из монтажного блока и при помощи контрольной лампы, либо тестера проверяем наличие тока в отверстии под 49-й вывод.
Неисправен подрулевой переключатель указателей поворота или снялась его соединительная колодка
Обрыв в соединительных проводах или неплотная посадка в монтажном блоке соединительных колодок Ш 3 (Х 3), Ш 1 (Х 1)
Примечания и дополнения
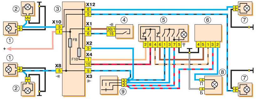
— Более тщательный поиск причин неисправности – не работают указатели поворота на автомобилях ВАЗ 2108, 2109, 21099, возможен с использованием схемы электрических соединений указателей поворота.
Другие неисправности, влияющие на освещение задних фонарей
Фонари заднего хода могут не гореть ввиду неисправности выключателя. Для устранения неполадок требуется выполнить следующее:
- отсоединить разъем;
- отвернуть выключатель ключом «на 21»;
- снять выключатель и заменить его новым.
Неисправность фонарей машины может быть вызвана неполадками в гидрокорректоре. С его помощью можно изменить угол, под которым наклонены фары (это обусловлено разным уровнем загрузки автомобиля). Состоит гидрокорректор из главного цилиндра, который крепится на приборной панели, исполнительных цилиндров блок-фар и трубок соединения. Он не разбирается и не подлежит ремонту. Следует производить замену детали в сборе. Снятие и установка главного цилиндра гидрокорректора фар происходит поэтапно:
- снять рукоятку и накладку цилиндра, поддев его отверткой;
- открутить гайку головкой «на 22»;
- вынуть гидрокорректор.
Фонарь на багажнике также может потребовать замены. В этом случае нужно:
- провод и клемму минусовой аккумуляторной батареи разъединить;
- отсоединить задний фонарь от колодки с проводами, открыв крышку багажника;
- нажать на детали фиксатора и вынуть держатель с лампами из корпуса фонаря;
- открепить фонарь, открутив две гайки;
- ослабить три гайки, которыми закреплена декоративная накладка багажной крышки и отвернуть гайку, ближайшую к фонарю;
- приподнять накладку и снять фонарь;
- устанавливается новый фонарь в порядке, противоположном описанному выше.
У многих автомобилей семейства ВАЗ, в том числе и ВАЗ 2110, существует проблема, влияющая на безопасность, а также доставляющая много неприятностей водителям. Плата заднего фонаря представляет собой тонкую ленту с токопроводящими дорожками. Приходится менять эту ленту довольно часто, а вместе с ней и перегоревшие лампочки. Можно воспользоваться вариантом вставки железных патронов от ВАЗ 2101. Итак, чтобы осуществить это, необходимо:
- снять и разобрать задние фонари, вынув из них плату и саму ленту;
- купить одинарные патроны для стопов и габаритов;
- приобрести медный провод сечением 2, 5 мм, разъемы, болты М3;
- отметить места под патроны и высверлить их, доработав отверстия напильником;
- для доработки патронов для габаритов и стоп-сигналов выводы наконечников повернуть на 180 градусов;
- патроны с поворотников выкусить совсем;
- закрепить патроны к пластику болтами с гайками;
- соединить все патроны, проложив плюсы на поворотник, стопы и габариты;
- нарастить колодку разъема и установить все на автомобиль.
Где находится блок предохранителей ВАЗ-21099 карбюратор и его схема
В транспортных средствах отечественного производства часто встречается такая проблема, как поломка одного из электроприборов. Для начала необходимо проверить исправность всех предохранителей, которые установлены в машине. Блок предохранителей ВАЗ-21099 карбюратор имеет вид небольшой коробочки, расположенной около лобового стекла с левой стороны. В случае если в автомобиле предусмотрено два блока, еще одна коробка расположена в салоне около рулевой колонки снизу. Проверено, что расположение под капотом транспортного средства является крайне неудобным. Ведь именно за счет такого размещения, он так часто и выходит из строя. Под капот легко попадают капли дождя, что приводит к намоканию блока. Практически все электрические цепи защищены плавкими приборами.
Тюнинг ВАЗ-21099 своими руками
Блок реле и предохранителей: функции
Почти все участки электрических цепей объединены благодаря монтажному блоку. Данный блок также обеспечивает все важные участки нужными предохранителями и реле.
Монтажный блок позволяет осуществлять ремонт и сборку цепей намного быстрее и легче за счет близкого расположения проводов и реле друг к другу.
В случае неисправности электрики, сила тока в узле увеличивается, поэтому случается короткое замыкание.
Нередко сегодня встречаются на автомобилях такие приборы, которые подходят для многоразового употребления. Во время нагревания они разгибаются и размыкают контакт, а при возвращении к исходной температуре – принимают первоначальный внешний вид.
За счет этого эксплуатационный срок предохранителя значительно повышается, что дает возможность после каждого замыкания не приобретать новый.
Бывает и так, что данные предохранители не принимают начальный вид, поэтому водителю машины необходимо самостоятельно исправить ситуацию и надавить на кнопку после того, как будут найдены истоки проблемы короткого замыкания.
Какой расход топлива ВАЗ-2109 (инжектор, карбюратор)
Символом F обозначены предохранители с порядковым номером, буквой К – сами приборы. Схема обозначения следующая:
- F1 – омывает фары (10 А);
- F2 – обеспечивает аварийку, а также их реле-прерыватель (10 А);
- F3 – отвечает за свет в салоне и задние фары (10 А);
- F4 – отвечает за обогрев заднего стекла (20 А);
- F5 – обеспечивает охлаждение за счет вентилятора, а также за сигнал клаксона (20 А);
- F6 – отвечает за подъем стекол (30 А);
- F7 – обеспечивает в бардачке освещение, а также насос для омывателя (30 А);
- F8 и F9 – свечение противотуманных фар (7,5 А);
- F10 – отвечает за габаритный свет (7,5 А);
- F11 – отвечает за заднюю правую фару (7,5 А);
- F12 и 13 – обеспечивает свет ближнего света и правой фары (7,5 А);
- F14 и 15 – отвечает за свет левой фары дальнего света (7,5 А).
Предохранитель F16 (15 А) выполняет много функций:
- Указатель поворотов.
- Контроль за уровнем тормозной жидкости.
- Контроль за датчиком масла.
- Контроль за датчиком охлаждения.
- Обеспечение автоматического открывания дверей.
Замена предохранителей или всего блока
Для того чтобы менять предохранители, необходимо запомнить их расположение. Схема, которая должна быть указана на крышке блока, должна помочь. В первую очередь, решив поменять предохранители, стоит скинуть массу. В черном ящике должен находиться пинцет, который предусмотрен для замены предохранителей. С его помощью доставать и цеплять мелкие детали становится намного легче.
Чтобы понять, какой предохранитель требует замены, стоит взглянуть на схему, представленную на крышке блока. При полной замене блока нужно полностью отвинтить старую коробку и убрать из нее кроншейны. При этом нужно изучить, где и как соединены провода, чтобы потом их также присоединить к новому прибору.
Как производится замена троса ручного тормоза ВАЗ-2110
Старый и новый тип блока предохранителей ВАЗ-21099
Есть несколько видов предохранителей. Они могут быть старых или новых образцов. Отличаются данные природы своим расположением и формой. При замене старого блока на новый может появиться небольшая проблема. Вентилятор охлаждения двигателя начинает работать в непрерывном режиме. Такую ситуацию можно исправить самостоятельно. Нужно достать провод черного цвета, который выходит из питания вентилятора, и изолировать его. Кроме этого, необходимо сделать то же самое и с черно-белым проводом, который выходит от индикатора включения вентилятора. Клеммы, которые освободились, необходимо соединить одним проводом, после чего прикрепить к ним аккумуляторную клемму.
Замена предохранителей
Для того чтобы извлечь предохранители «Лады Калины» из гнезда, в монтажном блоке есть 2 пинцета. Большого размера предназначен для реле, поменьше — для предохранителей. Понять исправность описываемого можно по легкоплавкой вставке. Если эта вставка расплавлена, то последний подлежит замене.
При замене необходимо использовать точно такие же предохранители, какие на «Калине» были установлены заводом-изготовителем. Категорически запрещено применять предохранитель большего или меньшего значения номинального тока. Если вы замените на элемент меньшего значения, то он попросту сразу перегорит, т.к. не будет рассчитан на пропуск необходимого тока для включения электроприбора. Если же заменить на предохранитель большего значения, то в случае короткого замыкания он не приостановит подачу тока. В лучшем случае при таких обстоятельствах сгорит и выведет из строя электроприбор, за который отвечает. В худшем — есть вероятность возгорания проводки, а вместе с ней и самого автомобиля.
Очень важно! Перед тем как производить манипуляции с предохранителями «Лады Калины» либо другого автомобиля, необходимо снять клемму с аккумулятора. Предохранители являются долгослужащими элементами автомобиля. Поэтому если вам приходится часто их менять, то необходимо обратиться за помощью к электрикам на СТО
Поэтому если вам приходится часто их менять, то необходимо обратиться за помощью к электрикам на СТО
Предохранители являются долгослужащими элементами автомобиля. Поэтому если вам приходится часто их менять, то необходимо обратиться за помощью к электрикам на СТО.
Предохранители и реле системы управления двигателем установлены в центральной консоли панели приборов.
Монтажный блок предохранителей и реле: 1 — место установки реле включения стеклоочистителя фар, К1; 2 — реле включения дальнего света фар, К7; 3 — реле включения звукового сигнала К8; 4 — реле включения стеклоподъемников дверей, К2; 5 — место установки реле включения противотуманных фар, К9; 6 — реле стартера; 7 — реле включения обогрева заднего стекла, К10; 8 — дополнительное реле. К4; 9 — реле включения подогрева сидений, К11; 10 — реле включения указателей поворота и аварийной сигнализации, К5; 11 — место установки резервного реле, К12; 12 — реле включения стеклоочистителя и стеклоомывателя ветрового стекла, Кб; 13 —пинцет для извлечения предохранителей и реле с маленьким корпусом; 14 —пинцет для извлечения реле , F27; 15 — запасные предохранители; 16 — место установки предохранителя АБС, F28; 17 — предохранитель электроусилителя рулевого управления; — 18 — предохранители F1—F26
На корпусе монтажного блока указаны порядковые номера предохранителей и реле. Назначение реле и защищаемые предохранителями цепи обозначены условными символами па внутренней стороне крышки монтажного блока. Там же для предохранителей указана сила тока.
Монтажные блоки разных производителей могут незначительно отличаться количеством и расположением предохранителей.
Предохранители и защищаемые цепи
Всем привет сегодня хочу рассмотреть причины, почему не брызгает омыватель стекла на автомобиле Лада Калина. Тем более эта проблема очень актуальна весной. Весной без омывайки ни куда. Итак, поехали.
Первая причина из за чего не брызгают форсунки омывателя банально проста, возможно, у вас просто напросто закончилась жидкость в бачке омывателя, нужно проверить и при необходимости долить.
Вторая причина это шланги. Возможно, они, где то соскочили или возможно где, то передавило. Нужно все тщательно осмотреть и устранить.
Третья причина это забитые форсунки нужно попробовать почистить при помощи иголки, и если не поможет, придется менять.
Четвёртая причина это сгоревший предохранитель. Отвечает за моторчик омывателя на Калине предохранитель F 4. Если он перегоревший нужно его заменить.
Пятая причина кроется в клеммах моторчика омывателя, они часто окисляются и даже отваливаются нужно проверить и в случае необходимости исправить.
Шестая причина это сам моторчик нужно его проверить и если нужно заменить.
Седьмая причина это сам выключатель, который находится под рулём. В случае необходимости нужно его заменить.
Если у вас были другие причины, то пишите в комментарии. Ну, вот и всё я рассмотрел основные причины, почему не брызгает очиститель стекла на автомобиле Лада Калина. Всем пока.
Ремонт указателей поворотов и аварийной сигнализации своими руками
Если пропали повороты, а также аварийный , то можно попытаться решить такую проблему своими руками:
При поломке предохранительного элемента и реле вышедшие из строя детали подлежат замене. Если причина кроется в замыкании, то перед заменой необходимо проверить все электроцепи, в которых оно могло произойти. Только после того, как причина замыкания и скачков напряжения будет устранена, девайсы необходимо менять. Если вышла из строя , то ее нужно просто поменять. О том, как произвести диагностику этой детали, мы уже рассказали. Что касается диагностики электроцепей, то она осуществляется с помощью тестера. При выявлении поврежденных участков провода подлежат замене. При их укладке проследите за тем, чтобы проводка не соприкасалась с движущимися элементами кузова. Также рекомендуется дополнительно заизолировать новые провода, чтобы повысить надежность изоляции. Если причина заключается в лампочках, то все перегоревшие источники освещения подлежат замене. В передних и задних фарах лампы меняются путем снятия защиты с фар, отключения от лампы цепи питания, а также выкручивания источника освещения из посадочного места и его заменой на новое. Если не работают лампы в боковых фарах, то, как правило, для демонтажа источников освещения сам плафон нужно поддеть отверткой, после чего отключить провод питания и извлечь устройство. Если причина кроется в подрулевом переключателе, то это устройство нужно разобрать и проверить. Как правило, причина поломки переключателя заключается в плохом контакте или в его стирании. В таком случае вышедший из строя переключатель меняется на новый










Что касается контактов (неважно где — на соединениях или кнопках), то их желательно зачистить. Также следует проверить все штекеры и разъемы, ведь вполне возможно, что неполадка заключается в плохом контакте на них
Закисленные контакты подлежат очистке с помощью железной щетки либо наждачной бумаги
Если контакты перегорели, то их необходимо будет менять.
С ситуацией, когда не работают поворотники и аварийка ВАЗ 2110 или других моделях, сталкивается немалая часть владельцев ВАЗа, и часто проблема застает их врасплох. Наиболее распространенная причина, почему не работают поворотники на ВАЗ 2109, заключается в том, что вышла из строя автомобильная электрика.
Схема включения указателей поворота и аварийной сигнализации
Зависимость от самой фары
Чтобы освещение было качественным и смотрелось красиво, нужно зацикливаться не только на характеристиках лампы h4 – это галогенки, которые ставят на четырнадцатые, но и на самом блоке фары. Если у блока средний по показателям отражатель и рассеиватель – грош цена вашей самой яркой лампе. А ставят такие блоки от производителей двух брендов: BOSCH и Киржач. По объективным причинам первый второго выигрывает:
- Отражатель от Киржача узкий и удлиненный, содержит внутреннюю перегородку, у него нет верхней стенки.
- У фирмы BOSCH наоборот отражатель широкий и куций,с полноценными стенками со всех сторон.
Лампочки H4
Учитывая тот фактор, что оптика Н4 не меняет своей сути (две нити накала), на данный момент эта лампа имеет всевозможные модификации и конструктивные изменения. Разнообразные модели данного устройства направлены на определенного покупателя со своими отличительными особенностями. Составляющие газа в колбе, материал и форма держателей электродов, спираль – все это влияет на технические показатели лампы. Также на качестве светового потока отражаются определенные технологические секреты различных фирм-производителей и способы сборки ламп. На то, что изделия различных фирм могут иметь свои особенности, указывают различные тестовые испытания.
Osram
Довольно известная немецкая фирма, которая входит в число лидеров по производству ксеноновых ламп. Продукция этой компании пользуется популярностью и высоким доверием среди отечественных автолюбителей, которые с охотой приобретают лампы для фар автомобилей этой марки. Производитель регулярно усовершенствует технологию изготовления и имеет на своем счету серьезное количество запатентованных разработок и нововведений.
Сторонникам японского качества и надежности можно посоветовать лампы производителя IPF. Стоит отметить, что цена изделий этой компании довольно существенна. Это обусловлено применением новейших технологических разработок в плане конструкции и применяемых материалов, а также особенностями производства.

Ремонт и тюнинг задних фонарей на легендарных «Девятках» — ВАЗ 2109
Причины поломки задних деталей системы освещения и действия водителя
О том, в чем может заключаться поломка и как решить проблему можно узнать ниже. Речь пойдет о модифицированных девятках.
Возможные неисправности стоп-сигналов и их устранение
- Вследствие перепада напряжения может случиться замыкание и лапочки перегорят.
- Если пришло время зачистить провода, потому что окислились контакты и клеммы недостаточно хорошо проводят ток.
- Часто, в случае перепада напряжения может потребоваться демонтаж и замена предохранителей.
- Если произошел разрыв или залом контактов датчика заднего хода.

Снятие датчика выключателя стоп-сигналов
В случае перечисленных проблем легче всего, конечно, поставить новую лампу. Это происходит без затруднений: необходимо лишь отключить свет, открыть багажник и изъять колодку проводов. После этого зажав фиксирующие элементы, которые установлены с боков, достать панель и открутить лампу. На ее место поставить новое световое устройство и собрать комплекцию в обратной последовательности. Если говорить о стопах, не работать могут как обе лампы, так и одна из них, то есть только в одной блок-фаре.
При возникновении такой неполадки необходимо тут же провести диагностику:
- Проверить предохранитель и, если есть необходимость, заменить его на новый. Устранить поломку мало, ведь, как и в случае с человеческими болезнями, перегорание может быть ошибкой в системе, которую потребуется устранить. Если этого не сделать, можно менять устройство до конца дней ВАЗ 21099. Одной из причин может быть замыкание.
- Если окислились проводки в патронах ламп сигналов, лампу немного нужно покрутить в патроне, чтобы соскоблить разрушенный слой. Чтобы проделанная работа была более эффективной, можно прочистить контакты наждачкой.
- В случае перегорания ламп в стопах, нужно заменить ее на новую и проверить, будет ли работать система. А если плохие контакты, их нужно зачистить и на плате, и на колодке проводов.
- Если перегорели дорожки в плате блок-фар, тогда можно вытащить плату и визуально диагностировать ее целостность. Если есть перегоревшие дорожки, их можно модифицировав, заменив проводки.
- Неисправен датчик или нарушена электрическая цепь. Во-первых, необходимо снять с датчика красный и белый провода и соединить их куском провода. Если стоп-сигналы загорелись, значить датчик необходимо заменить, если нет, нужно проверить электроцепь. Ее нужно проверить на наличие разрывов контактов.

Процесс замены
Чтобы заменить фары ближней оптики, которые не горят в вашем ВАЗе 2108, 2109 или 21099, и поставить новые лампы, для начала приготовьте отвертку на 10. После этого:
- Отсоедините питающие провода от блока фар ближнего освещения, а также поворотников.
- Нажмите на фиксаторы гидрокорректора. Это позволит повернуть его против часовой стрелки и вынуть, потянув на себя.
- Снимите сам блок. Для этого открутите по 2 гайки с левой и правой стороны отверткой на 10. Вы сможете снять блок вместе с корпусом поворотника.
- Отсоедините корпус поворотника от демонтированного блока. Для этого открутите от него 2 болта.
После этого вы сможете поставить вместо неработающих фар новые. Чтобы проверить, какие части фары не работают, снимите контактную плату и протрите внутреннюю поверхность изделия. Если поврежден блок, его нужно полностью менять. Замените уплотнительную прокладку, если она рассохлась или оборвалась. После установки новой лампочки или других компонентов системы освещения настройте новую оптику, чтобы обеспечить оптимальную дальность световых пучков.
Добро пожаловать! Лампа в основной фаре — время от времени она перегорает и из-за этого у автомобиля начинает хуже светить свет, потому что светить остаётся только лишь одна фара, кто кто со временем в этому привыкает и ездит так какое то время, но всё же на одной фаре долго не проедешь и поэтому наступает тот момент когда лампочку уже приходиться менять, но не все люди умеют это делать, поэтому мы и написали данную статью по замене лампы.
Примечание! Для того чтобы заменить лампочку в основной фаре, вам нужно будет запастись: Набором гаечных ключей в котором у вас будет находиться примерно ключ «на 8», который нужен для того чтобы скинуть клемму минус с аккумуляторной батареи!
- Замена лампы
- Дополнительный видео-ролик
Где находиться лампочка в основной фаре? Ответ на этот вопрос очень банален, а именно данная лампа и находиться в самой основной фаре, её можно будет разглядеть двумя способами, первый способ это стоя с наружи автомобиля, а второй способ это открыть капот и там разыскать большой колпачок (На фото ниже указан стрелкой), под которым и располагается сама лампа.

Примечание! На автомобиль семейства Самара лампа как правило стоит всего лишь одна а именно по научному такая лампа называется двух нитевая, благодаря этому она может светить как ближнем светом так и дальнем!
Когда нужно менять лампу в основной фаре? Её нужно менять при перегорании, в связи с которым лампа может перестать вообще гореть или же будет гореть но намного слабее чем это было ранее.


















































